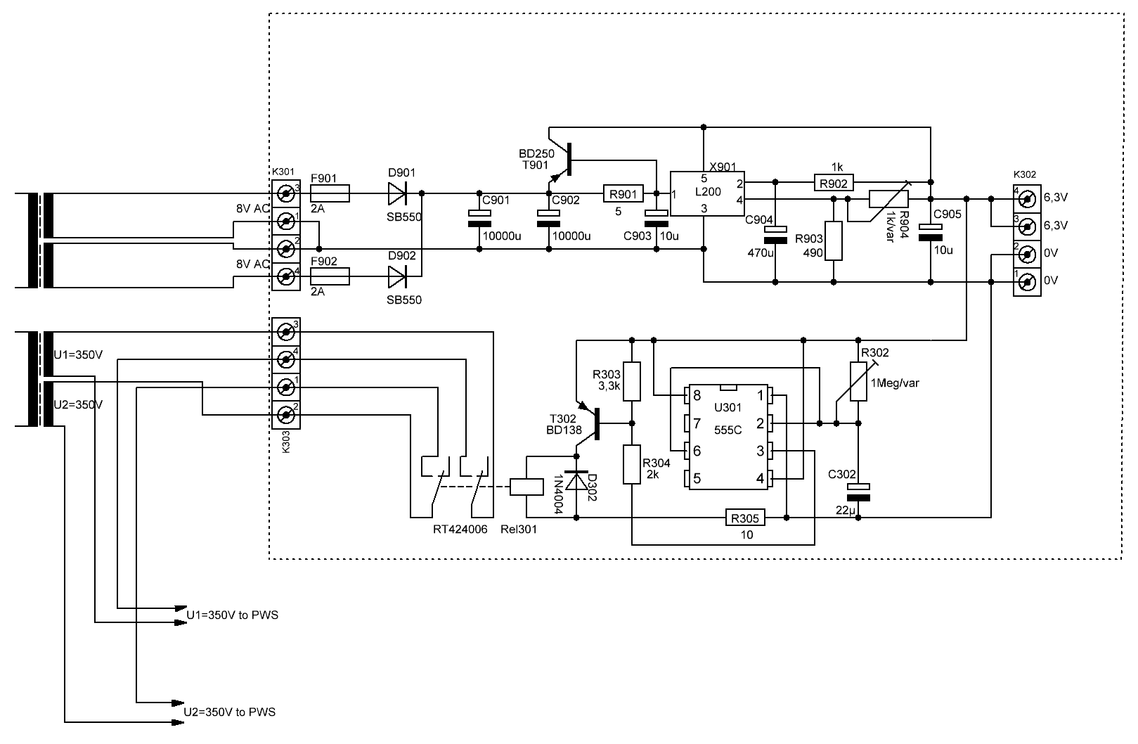
reg_pws_V3_add_on_schematics